Mounting bearings on tapered seatings can be a difficult and time-consuming job. Using a SWIFT Hydraulic Nut facilitates easy and quick application of the high drive-up forces required for mounting bearings.
Dismounting bearings mounted on either adapter or withdrawal sleeves is also often a difficult and time-consuming job. These problems can be reduced with the use of a SWIFT Hydraulic Nut. Oil is pumped into the nut and the piston is pushed out with a force, which is sufficient to free the sleeve.

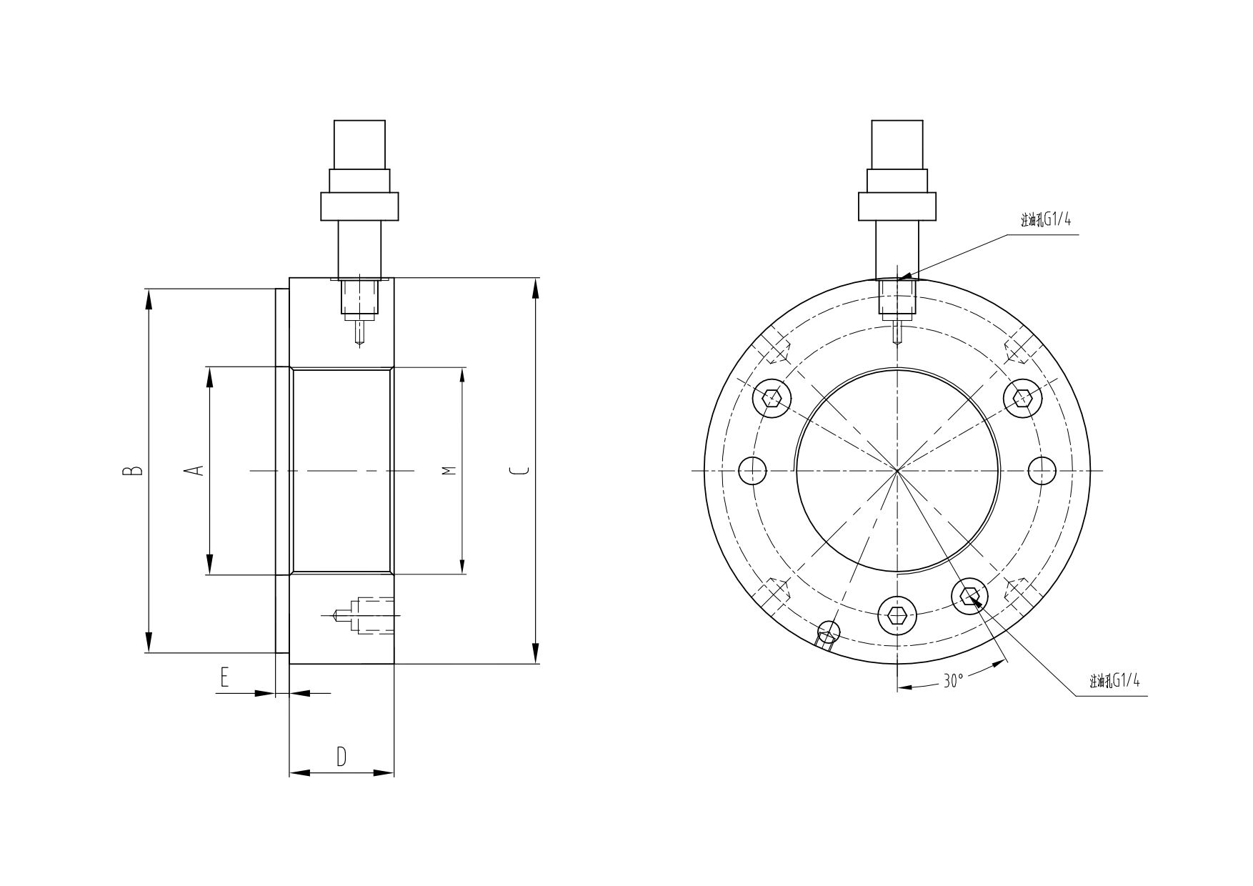
| Thread | A | B | C | D | E | Piston Displacement | MAX.Mpa |
| M 50x1.5 | 50.5 | 104 | 114 | 38 | 4 | 5 | 80Mpa |
| M 55x2 | 55.5 | 109 | 120 | 38 | 4 | 5 | 80Mpa |
| M 60x2 | 60.5 | 115 | 125 | 38 | 5 | 5 | 80Mpa |
| M 65x2 | 65.5 | 121 | 130 | 38 | 5 | 5 | 80Mpa |
| M 70x2 | 70.5 | 127 | 135 | 38 | 5 | 5 | 80Mpa |
| M 75x2 | 75.5 | 132 | 140 | 38 | 5 | 5 | 80Mpa |
| M 80x2 | 80.5 | 137 | 146 | 38 | 5 | 5 | 80Mpa |
| M 85x2 | 85.5 | 142 | 150 | 38 | 5 | 5 | 80Mpa |
| M 90x2 | 90.5 | 147 | 156 | 38 | 5 | 5 | 80Mpa |
| M 95x2 | 95.5 | 153 | 162 | 38 | 5 | 5 | 80Mpa |
| M 100x2 | 100.5 | 158 | 166 | 38 | 6 | 5 | 80Mpa |
| M 105x2 | 105.5 | 163 | 172 | 38 | 6 | 5 | 80Mpa |
| M 110x2 | 110.5 | 169 | 178 | 38 | 6 | 5 | 80Mpa |
| M 115x2 | 115.5 | 174 | 182 | 38 | 6 | 5 | 80Mpa |
| M 120x2 | 120.5 | 179 | 188 | 38 | 6 | 5 | 80Mpa |
| M 125x2 | 125.5 | 184 | 192 | 38 | 6 | 5 | 80Mpa |
| M 130x2 | 130.5 | 190 | 198 | 38 | 6 | 5 | 80Mpa |
| M 135x2 | 135.5 | 195 | 204 | 38 | 6 | 5 | 80Mpa |
| M 140x2 | 140.5 | 200 | 208 | 38 | 7 | 5 | 80Mpa |
| M 145x2 | 145.5 | 206 | 214 | 39 | 7 | 5 | 80Mpa |
| M 150x2 | 150.5 | 211 | 220 | 39 | 7 | 5 | 80Mpa |
| M 155x3 | 155.5 | 218 | 226 | 39 | 7 | 5 | 80Mpa |
| M 160x3 | 160.5 | 224 | 232 | 40 | 7 | 6 | 80Mpa |
| M 165x3 | 165.5 | 229 | 238 | 40 | 7 | 6 | 80Mpa |
| M 170x3 | 170.5 | 235 | 244 | 41 | 7 | 6 | 80Mpa |
| M 180x3 | 180.5 | 247 | 256 | 41 | 7 | 6 | 80Mpa |
| M 190x3 | 191 | 259 | 270 | 42 | 8 | 7 | 80Mpa |
| M 200x3 | 201 | 271 | 282 | 43 | 8 | 8 | 80Mpa |
| Tr 205x4 | 207 | 276 | 288 | 43 | 8 | 8 | 80Mpa |
| Tr 210x4 | 212 | 282 | 294 | 44 | 8 | 9 | 80Mpa |
| Tr 215x4 | 217 | 287 | 300 | 44 | 8 | 9 | 80Mpa |
| Tr 220x4 | 222 | 293 | 306 | 44 | 8 | 9 | 80Mpa |
| Tr 225x4 | 227 | 300 | 312 | 45 | 8 | 9 | 80Mpa |
| Tr 230x4 | 232 | 305 | 318 | 45 | 8 | 9 | 80Mpa |
| Tr 235x4 | 237 | 311 | 326 | 46 | 8 | 10 | 80Mpa |
| Tr 240x4 | 242 | 316 | 330 | 46 | 9 | 10 | 80Mpa |
| Tr 250x4 | 252 | 329 | 342 | 46 | 9 | 10 | 80Mpa |
| Tr 260x4 | 262 | 341 | 356 | 47 | 9 | 11 | 80Mpa |
| Tr 270x4 | 272 | 352 | 368 | 48 | 9 | 12 | 80Mpa |
| Tr 280x4 | 282 | 363 | 380 | 49 | 9 | 12 | 80Mpa |
| Tr 290x4 | 292 | 375 | 390 | 49 | 9 | 13 | 80Mpa |
| Tr 300x4 | 302 | 386 | 404 | 51 | 10 | 14 | 80Mpa |
| Tr 310x5 | 312 | 397 | 416 | 52 | 10 | 14 | 40Mpa |
| Tr 320x5 | 322 | 409 | 428 | 53 | 10 | 14 | 40Mpa |
| Tr 330x5 | 332 | 419 | 438 | 53 | 10 | 14 | 40Mpa |
| Tr 340x5 | 342 | 430 | 450 | 54 | 10 | 14 | 40Mpa |
| Tr 345x5 | 347 | 436 | 456 | 54 | 10 | 14 | 40Mpa |
| Tr 350x5 | 352 | 442 | 464 | 56 | 10 | 14 | 40Mpa |
| Tr 360x5 | 362 | 455 | 472 | 56 | 10 | 15 | 40Mpa |
| Tr 365x5 | 367 | 460 | 482 | 57 | 11 | 15 | 40Mpa |
| Tr 370x5 | 372 | 466 | 486 | 57 | 11 | 16 | 40Mpa |
| Tr 380x5 | 382 | 476 | 498 | 58 | 11 | 16 | 40Mpa |
| Tr 385x5 | 387 | 483 | 504 | 58 | 11 | 16 | 40Mpa |
| Tr 400x5 | 402 | 499 | 522 | 60 | 11 | 17 | 40Mpa |
| Tr 410x5 | 412 | 510 | 534 | 61 | 11 | 17 | 40Mpa |
| Tr 420x5 | 422 | 522 | 546 | 61 | 11 | 17 | 40Mpa |
| Tr 430x5 | 432 | 532 | 556 | 62 | 11 | 17 | 40Mpa |
| Tr 440x5 | 442 | 543 | 566 | 62 | 12 | 17 | 40Mpa |
| Tr 450x5 | 452 | 554 | 580 | 64 | 12 | 17 | 40Mpa |
| Tr 460x5 | 462 | 565 | 590 | 64 | 12 | 17 | 40Mpa |
| Tr 470x5 | 472 | 576 | 602 | 65 | 12 | 18 | 40Mpa |
| Tr 480x5 | 482 | 587 | 612 | 65 | 12 | 19 | 40Mpa |
| Tr 490x5 | 492 | 597 | 624 | 66 | 12 | 19 | 40Mpa |
| Tr 500x5 | 502 | 609 | 636 | 67 | 12 | 19 | 40Mpa |
Copyright © Jiangsu Swift Machinery Technology Co., Ltd All Rights Reserved - Privacy Policy